Sonntag, Mai 31 2026
PresseMitteilungen
  • Traumreiseziel Sri Lanka – Mehr als ein klassisches Reiseziel
  • Sansibar Hotel-Empfehlung für die Trockenzeit: Hotel Green Ocean Zanzibar
  • “… dann habe ich in einer Gesamtbetrachtung den Eindruck von fast mafiösen Strukturen”.
  • Warum dein Hund keine “Bindung” braucht – sondern eine funktionierende Mensch-Hund-Beziehung
  • Nährstoffmangel durch vegane Ernährung?
  • ELA Container erstmals als National Premium Partner beim Wings for Life World Run 2026
  • Finanzkraft, Bohrkraft und Geschwindigkeit nehmen rasant zu!
  • Diemer Schmuck Erfahrungen: 5 Gründe, warum Kunden wieder kaufen
  • “Armut sieht man zuerst im Mund” – wie soziale Ungleichheit sich an Zähnen zeigt
  • “Armut sieht man zuerst im Mund” – wie soziale Ungleichheit sich an Zähnen zeigt
  • Anmelden
  • Menü
PresseArticel.com | Das professionelle Presseportal
  • Suchen nach
  • TOP Meldungen
  • Pressemitteilung einsenden
  • Kategorien
    • ALLGEMEIN
    • BAU & IMMOBILIEN
    • BUSINESS
    • FAMILIE
    • GESUNDHEIT
    • LIFESTYLE
    • SPORT
    • UNTERHALTUNG
    • WERBUNG & MARKETING
    • WIRTSCHAFT

showersafe QB1-21 XE

  • ALLGEMEIN
    PM-Ersteller25. November 2025
    115

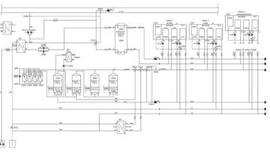
    Optimierung eines wärmepumpenbasierten Warmwassersystems

    Welche Relevanz haben das Showersavesystem von Q-Blue B.V. in Kombination mit den perfekt passenden EOD-Wärmepumpen für Hotels und Neubauten mit…

    Weiterlesen ...
© Copyright 2021 - 2026 | Pressearticel.com
  • Impressum
  • AGB
  • Datenschutzerklärung
    Schaltfläche "Zurück zum Anfang"
    Schließen
      Schließen
      Schließen
      Anmelden
      Vergessen?
      Diese Website benutzt Cookies. Wenn du die Website weiter nutzt, gehen wir von deinem Einverständnis aus.